堆高機

12

自走式堆高機系列

  • BLS-1000/1500/1600
    自走式堆高機

  • 點擊圖片看大圖
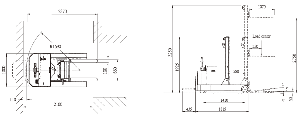
  • BLS-1200SR/1500SR
    伸縮自走式堆高機
  • 點擊圖片看大圖

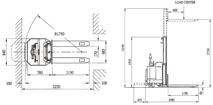
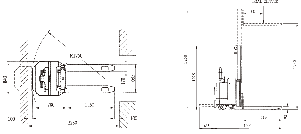
型式 BLS-1000 BLS-1500 BLS-1600 BLS-1200 SR BLS-1500 SR
規格
積載能力 kg 1000 1500 1600 1200 1500
動力源 DC-24V DC-24V DC-24V
行走馬達 kw 1.0 1.0 1.5 1.5
昇降馬達 kw 2.0 2.0 3 3.0
空載行走速度 km/h 5 5 6 4.5
負載行走速度 km/h 4 4 5.5 3.5
空載爬坡能力 % 8 8 12 8
負載爬坡能力 % 6 6 8 6
操作方式 mm 立乘式 立乘式 立乘式
機台全長 mm 1775 1925 1990 2370 2470
揚昇高度 mm 2750 2750 2750 2750
全昇機台 mm 3250 3250 3250 3250
全降機高 mm 1925 1925 1925 1925
桅桿伸縮行程 mm 580
貨叉傾斜角度 degree 前傾3˚ / 後仰5˚
迴轉半徑 mm 1550 1660 1750 1690 1790
直角通道寬 mm 1995 2150 2210 2100 2200
煞車器 電磁式 電磁式 電磁式
行走控制器 電子三段式 微電腦無段式 微電腦無段式
驅動輪 mm 230*75 230*75 230*75
負載輪 mm 80*70 80*70 250*75
輔助輪 mm 150*50 150*50 150*50
電瓶 100Ah/20hr*2只 180 Ah/5hr 240 Ah/5hr
電瓶重量 kg 80 80 215 245
機台重量 kg 690 810 1180 1900 2000
充電機 DC-24V/20A DC-24V/30A DC-24V/40A
牙叉外寬 685 685 685 660
牙叉長度 1000 1150 1150 1070


TOYOTA
日本進口外匯車

NICHIYU
日本進口外匯車
12